Aféierung
Hydraulesch Fitting Adapter ass en Deel deen verschidden hydraulesch Deeler verbënnt. Et passt enk fir Leckage ze stoppen. Gemaach aus staarke Materialien, kann et héich Drock packen. Et gëtt a Fabrécksmaschinnen, Bauerentools an Autoshydrauliksystemer benotzt. Et funktionnéiert mat villen Deeler, hält d'Flëssegkeet glat fléissend, ass einfach ze setzen a brauch wéineg Betreiung. Et ass gutt fir laang Benotzung, mécht et eng intelligent Wiel fir hydraulesch Verbindungen.



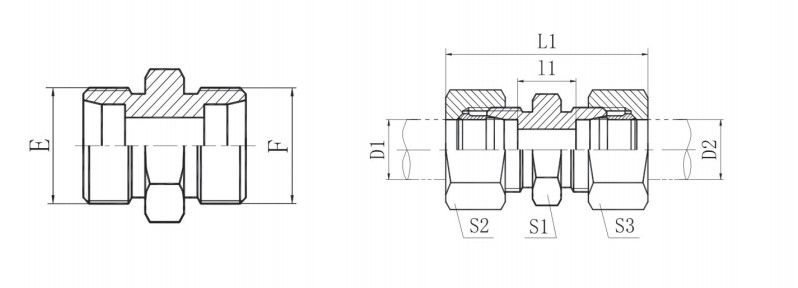
Spezifikatioune

|
PART NR. |
THREAD |
TUBE OD |
DIMENSIOUNEN |
Drockniveau | ||||||
|
E |
F |
D1 |
D2 |
11 |
L1 |
S1 |
S2 |
S3 |
MPa |
|
|
1C-12 |
M12X1.5 |
M12X1.5 |
6 |
6 |
10 |
39 |
12 |
14 |
14 |
31.5 L |
|
1C-14 |
M14X1.5 |
M14X1.5 |
8 |
8 |
11 |
40 |
14 |
17 |
17 |
|
|
1C-18 |
M18X1.5 |
M18X1.5 |
12 |
12 |
14 |
43 |
19 |
22 |
22 |
|
|
1C-22 |
M22X1.5 |
M22X1.5 |
15 |
15 |
16 |
46 |
24 |
27 |
27 |
16 L |
|
1C-26 |
M26X1.5 |
M26X1.5 |
18 |
18 |
16 |
48 |
27 |
32 |
32 |
|
|
1C-30 |
M30X2 |
M30X2 |
22 |
22 |
20 |
52 |
32 |
36 |
36 |
|
|
1C-36 |
M36X2 |
M36X2 |
28 |
28 |
21 |
54 |
41 |
41 |
41 |
|
|
1C-45 |
M45X2 |
M45X2 |
35 |
35 |
20 |
63 |
46 |
50 |
50 |
|
|
1C-52 |
M52X2 |
M52X2 |
42 |
42 |
21 |
66 |
55 |
60 |
60 |
63 S |
|
1D-14 |
M14X1.5 |
M14X1.5 |
6 |
6 |
16 |
45 |
14 |
17 |
17 |
|
|
1D-16 |
M16X1.5 |
M16X1.5 |
8 |
8 |
18 |
47 |
17 |
19 |
19 |
|
|
1D-18 |
M18X1.5 |
M18X1.5 |
10 |
10 |
17 |
49 |
19 |
22 |
22 |
|
|
1D-20 |
M20X1.5 |
M20X1.5 |
12 |
12 |
19 |
51 |
22 |
24 |
24 |
|
|
1D-22 |
M22X1.5 |
M22X1.5 |
14 |
14 |
22 |
57 |
24 |
27 |
27 |
|
|
1D-24 |
M24X1.5 |
M24X1.5 |
16 |
16 |
21 |
57 |
27 |
30 |
30 |
|
|
1D-30 |
M30X2 |
M30X2 |
20 |
20 |
23 |
66 |
32 |
36 |
36 |
40 S |
|
1D-36 |
M36X2 |
M36X2 |
25 |
25 |
26 |
74 |
41 |
46 |
46 |
|
|
1D-42 |
M42X2 |
M42X2 |
30 |
30 |
27 |
80 |
46 |
50 |
50 |
|
|
1D-52 |
M52X2 |
M52X2 |
38 |
38 |
29 |
90 |
55 |
60 |
60 |
|
Parameteren / technesch Donnéeën
|
Original |
Zhejiang, China |
Liwwerung Datum |
Verhandelbar |
|
Zertifikatioun |
GB/T19001-2016 idt ISO9001:2015 |
Verpakung |
exportéieren Norm |
|
Material |
Carbon Steel |
Garantie |
1 Joer |
|
Bezuelen Begrëff |
TT |
MOQ |
2000 |
|
Zoustand |
Nei |
Faarf |
Wäiss Zink, Faarf Zénk |
Iwwer Company












Virdeeler
Méi héich Qualitéit
Mir hunn e professionnelle Team mat technesche Wëssen a Gestiounserfahrung. Eis Firma ass duerch professionell Qualitéitssystem Zertifizéierung.
Méi räich Erfahrung
Mir gegrënnt an 2011. Bis elo, Eis Produiten goufen zu méi wéi 40 Länner exportéiert, wéi Russland, Australien, USA, UK, Däitschland, Rumänien, Mexiko, Brasilien, Chile, Kanada, Spuenien, Kolumbien, etc.. Mir kënnen héich Service un eise Clienten bidden.
Verschidde Produkter
Upassen op verschidde Besoinen.Mir hunn 4 Serie Produkter, insgesamt méi wéi honnert Varietéiten, konzentréieren sech op hydraulesch Fitting, hydraulesch Hülse, Hydraulesch Adapter an Nylon Tube Fitting. Fir Iech eng breet Palette vun Optiounen ze bidden.
Kleng Gewënn
Eis Firma seng Stäerkt, re-Kredit, halen de Kontrakt, fir d'Produktqualitéit ze garantéieren, huet d'Vertraue vu Clienten ënner de Prinzipien vu verschiddene Kategorien a nidderege Präis gewonnen. Wëllkomm al an nei Clienten aus In- an Ausland rufft un oder kommt bei eis fir Konsultatiounen a Verhandlungen.Konsekutiv Erhéijung vun der Ëmsaz vun 10 Joer.
Beschte Service
Dem Client seng Zefriddenheet ass ëmmer FeiKe Maschinnen Prioritéit Suerg, mir si gär all Problem ze léisen. Mir beäntweren all gestallte Froen, hëllefen jiddereen an Nout a ginn Äntwert op all Gebied.
Excellent Location
Geleeën an der Noperschaft zu Hangzhou, genéisse mir gutt-entwéckelt Transport- a Logistiksystemer, déi glat Frachtbewegung erliichteren.

FAQ
Q: Firwat sollt Dir eis wielen?
A: Mir sinn e vertrauenswürdege hydraulesche Spezialist mat 10 Joer Erfahrung. Eis Produkter sinn héich-qualitéit, kommen mat enger 18-Méint Garantie, a verschéckt séier. Mir bidden och Käschtespueren an zouverlässeg After-Sales Ënnerstëtzung.
Q: Sidd Dir eng Fabréck oder eng Handelsfirma?
A: Mir sinn déi direkt Fabréck déi hydraulesch Fittingt produzéiert, spezialiséiert op Fabrikatioun a R&D fir iwwer 10 Joer.
Q: Wat ass Är Liwwerzäit?
A: Fir -Stockartikelen: 7-15 Deeg.
Fir aus-aus-Lagerartikelen: 30-45 Deeg (ofhängeg vun der Bestellungsquantitéit).
Q: Wat sinn Är Bezuelungsbedéngungen?
A: 30% Depot no Bestellungsbestätegung, 70% Gläichgewiicht virum Versand.
Q: Gitt Dir Proben?
A: Standardprodukter: 2 gratis Proben (Client bezilt Versand).
Benotzerdefinéiert Produkter: Kontaktéiert eis fir Proufoptiounen ze diskutéieren.
Q: Wat wann et e Qualitéitsprobleem gëtt?
A: Bannent 12 Méint no der Liwwerung decken mir all net-mënschlech Schued.
Q: Wat ass Är Minimum Bestellung Quantitéit (MOQ)?
A: Standardprodukter: Nee MOQ (kaaft souguer 1 Stéck).
Benotzerdefinéiert Produkter: MOQ hänkt vum Produktdetail of.
Q: Kënnt Dir Produkter baséieren op meng Zeechnungen?
A: Jo, mir kënnen. Gitt w.e.g. komplett Zeechnungen mat techneschen Ufuerderungen un.
Q: Wat fir No-Verkafsservice bidd Dir?
A: Mir verfollegen d'Sendungen an Echtzäit-a verfollegen fir d'Zefriddenheet vun de Clienten ze garantéieren.
Q: Wéi kontrolléiert Dir Produktqualitéit?
A: Mir benotzen professionell Tester (Salzspray, Spannkraaft, Härtheet, etc.) Fir strikt Qualitéitskontroll.
Q: Bitt Dir OEM Servicer?
A: Jo, mir maachen. Kontaktéiert eis fir Detailer.
Q: Wéi eng Verpackung benotzt Dir?
A: Standard: Kartongskëschte. Benotzerdefinéiert Verpakung op Ufro verfügbar.
Q: Wéi séier kann ech e Präis kréien?
A: Mir äntweren bannent 8 Stonnen nodeems Dir Är Ufro kritt hutt.
Hot Tags: Hydraulesch Fitting Adapter, China Hydraulik Fitting Adapter Hiersteller, Fabréck
